欢迎登陆【真人旗舰集团官方网站】官方网站!
专业研发设计生产搅拌设备的综合型公司

主营:VC高效混合机,改性混合机,立式混合机等产品

全国销售热线:

15852796716

产品系列

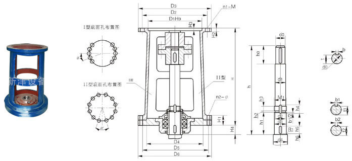
DXJ型机架(CD130B-86)


DXJ型单支点机架主要参数及尺寸
机架型号 H H1 H2 H3 H4 输入端接口 输出端接口
D1 D2 D3 n1-M D4 D5 D6 n2-φ
DXJ30AB 470 40 15 4 45 140
200
160
230
190
260
4-M10
6-M12
240 285 315 Ⅰ20
Ⅱ30
10-φ14
12-φ14
DXJ35A 524 48 15 5 47 170 200 230 6-M10
6-M12
260 320 360 Ⅰ20
Ⅱ30
10-φ14
12-φ14
DXJ40AB 524 48 15 4 47 200
230
230
260
260
290
6-M10
6-M12
260 320 360 Ⅰ20
Ⅱ30
10-φ14
12-φ14
DXJ45A 524 48 15 5 49 200 230 260 6-M10
6-M12
260 320 360 Ⅰ20
Ⅱ30
10-φ14
12-φ14
DXJ55AB 570 60 20 6
5
47 270 310
305
340 6-M10
8-M16
325 400 435 30 12-φ14
DXJ65A 634 68 20 6
5
58 316 360 400 8-M12
8-M16
350 420 460 30 12-φ18
DXJ70AB 634 68 20 6 58 316(320)
320
360 400 8-M12
8-M16
350 420 460 30 12-φ18
DXJ80AB 678 76 25 6
5
70 345
360
390
410
430
460
8-M16
8-M20
380 455 495 30 12-φ18
DXJ90A 700 80 25 7 72 400 450 490 12-M16
12-M20
430 510 555 30 12-φ23
DXJ100AB 740 80 25 9
5
76 455(460)
470
520 580 12-M20 480 560 600 22.5 16-φ23
DXJ110A 840 80 30 11
6
76 520 590 650 12-M20 560 650 700 22.5 16-φ27
DXJ120A 840 80 30 11
6
76 520 590 650 12-M20 560 650 700 22.5 16-φ27
DXJ130AB 950 94 30 11
9
85 680 800 880 12-M30 720 810 880 18 20-φ27
DXJ140A 950 94 30 11
9
85 680 800 880 12-M30 720 810 880 18 20-φ27
DXJ150AB 950 94 35 14
10
85 820 940 1020 16-M30 840 940 1020 22.5 16-φ33
DXJ160AB 950 100 35 14
10
95 820 940 1020 16-M30 840 940 1020 22.5 16-φ33
DXJ180AB 1050 100 40 14
10
115 960 1080 1160 20-M30 970 1080 1160 18 20-φ33

机架型号 h(A/B) 搅拌轴轴端尺寸 重量kg
h0 h1 h2 h3 h4 h5 h6 d0 d1 d2 M1 d3(h9) d4 b t t1 b1 t2 b2
DXJ30AB 431/445 53 103 3 13 22 30 3 30 32 32.8 M35×1.5 35 40 8 26 31 6 31.5 6 48
DXJ35A 490 53 113 3 15 24 40 3 35 42 42.8 M45×1.5 45 50 10 30 41 6 41.5 6 62
DXJ40AB 479/482 69 113 3 15 24 40 3 40 42 42.8 M45×1.5 45 50 12 35 41 6 41.5 6 62
DXJ45A 481 69 113 3 15 28 40 3 45 47 47.8 M50×1.5 50 65 14 39.5 46 8 46 8 67
DXJ55AB 530 80 118 4 15 27 40 3 55 57 57 M60×2 60 65 16 49 56 8 56 8 107
DXJ65A 590 87 143 4 18 32 50 3 65 71 72 M75×2 75 80 18 58 69 10 70 10 150
DXJ70AB 590/580 87 143 4 18 32 50 3 70 71 72 M75×2 75 80 20 62.5 69 10 70 10 150
DXJ80AB 630/590 91 163 4 18 32 60 3 80 81 82 M85×2 85 90 22 71 79 10 80 10 213
DXJ90A 636 125 168 4 20 36 60 3 90 91 92 M95×2 95 110 25 81 89 12 90 12 276
DXJ100AB 667/641 134 178 4 24 42 60 3 100 111 112 M115×2 115 125 28 90 109 14 109.5 14 326
DXJ110A 712 155 178 4 24 42 60 3 110 112 112 M115×2 115 125 28 100 109 14 109.5 14 505
DXJ120A 712 155 178 4 24 42 60 3 120 122 122 M125×2 125 140 32 108 119 14 119.5 14 5410
DXJ130AB 815/815 197 208 4 28 46 70 3 130 135 137 M140×2 140 150 32 119 132 14 134.5 14 689
DXJ140A 815 197 208 4 32 52 70 3 140 145 147 M150×2 150 160 36 128 142 16 144 16 696
DXJ150AB 根据减速机型号而定 210 208 4 32 52 70 3 150 155 156 M160×3 160 170 36 138 152 16 154 16 708
DXJ160AB 210 227 4 32 52 80 3 160 165 166 M170×3 170 180 40 147 162 16 164 16 930
DXJ180AB 290 242 4 36 58 90 3 180 185 186 B190×3 190 200 45 165 180 18 182 18 1240
注:图示所注“h”仅与本样本BLD、LC-Ⅱ、DC-Ⅱ系列减速机相配,如选用其他型号或其他厂家减速机,“h”需另行计算。

相关产品