QZ-21全自动罐装包装机
1. 简要说明
该系列罐装机能完成喂罐、托罐、充填计量、称重选别等工作,可与其它设备配套组成整套罐装流水线,适用于充填眼影粉、闪粉、胡椒粉、辣椒粉、奶粉、米粉、蛋白粉、豆奶粉、鸡粉、咖啡粉、药粉、添加剂、香精香料等。
2. 主要特征
全不锈钢结构;水平开启式料箱,清洗方便。
伺服马达及伺服驱动控制螺杆,性能稳定。
PLC、触摸屏及称重模块控制。
配有位置合理的高度调节手轮,方便调整机头高度。
气动托罐装置,保证充填时物料不洒出容器外。
各种产品调整参数配方可储存,备后使用,多储存10个配方。
替换螺旋附件,能够适应超细粉到小颗粒等多种物料。
3. 主要参数
|
容器尺寸 |
φ50-150mm,H 50-300mm |
|
罐装重量 |
10 – 5000g |
|
罐装精度 |
≤ 500g,≤±1%;>500g,≤±0.5% |
|
罐装速度 |
15 - 40 bottles/min |
|
电源 |
3P AC208-415V 50/60Hz |
|
压缩空气 |
6 kg/cm2 0.05m3/min |
|
整机功率 |
1.6Kw |
|
整机重量 |
300kg |
|
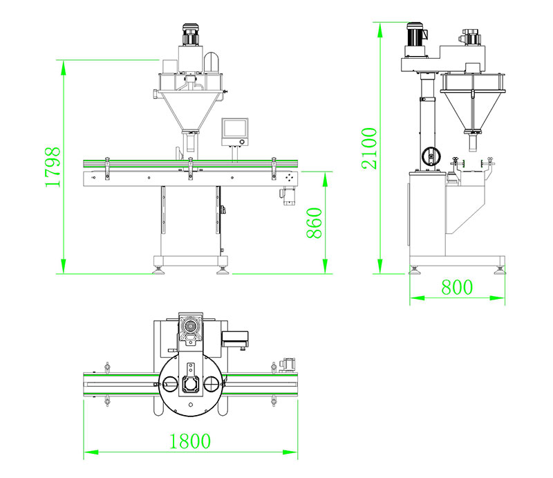
整机体积 |
2100×800×1800mm |
|
料箱容积 |
50L |
4. 配置清单
|
序号 |
名称 |
型号规格 |
产地品牌 |
|
1 |
不锈钢 |
SUS304 |
中国 |
|
2 |
PLC |
|
台湾台达 |
|
3 |
触摸屏 |
|
台湾台达 |
|
4 |
充填伺服马达 |
ECMA-C20807RS |
台湾台达 |
|
5 |
充填伺服驱动器 |
B2721BW3450680 |
台湾台达 |
|
8 |
搅拌减速电机 |
400W |
台湾万鑫 |
|
9 |
电磁阀 |
|
台湾亚德客 |
|
10 |
气缸 |
SDA40X15 |
台湾亚德克 |
|
11 |
过滤调压器 |
AFR-2000 |
台湾亚德克 |
|
12 |
小功率电机 |
120W 1300rpm Model: 90YS120GY38 |
台湾JSCC |
|
13 |
减速机 |
Ratio:1:36,Model:90GK(F)36RC |
台湾JSCC |
|
14 |
电源开关 |
HZ5BGS |
温州长信 |
|
15 |
断路器 |
|
施耐德 |
|
16 |
急停开关 |
|
施耐德 |
|
17 |
滤波器 |
ZYH-EB-10A |
北京中宇豪 |
|
18 |
交流接触器 |
CJX2 1210 |
温州正泰 |
|
19 |
热继电器 |
NR2-25 |
温州正泰 |
|
20 |
直流继电器 |
MY2NJ 24DC |
日本欧姆龙 |
|
21 |
开关电源 |
|
常州诚联 |
|
22 |
光电传感器 |
BR100-DDT |
韩国奥托尼克斯 |
|
23 |
料位传感器 |
CR30-15DN |
韩国奥托尼克斯 |
5. 工作原理
罐子进入输送带,罐子随链板向前移动,当罐子被探罐光电感应到后,止罐汽缸动作,将罐子限位,然后托罐汽缸动作将罐子托起,伺服电机动作,带动螺旋将物料填充到罐子中,在下料的过程中,气震产生振动使物料容易沉积,充填计量完毕,伺服电机停止,汽缸复位,完成一次计量包装。
6. 整机尺寸